Sumo Robot
本節是介紹如何去組裝一隻相撲機械人。做好後效果如下:

Step 1: 準備工作/檔案
- 下載本次所用到的零件zip檔
- 解壓縮
- 於Fusion左邊欄點擊
upload鍵 - 將解壓後的檔案拖動到
Drag and Drop Here,或按Select Files找到路徑上傳
ℹ️INFO



Step 2: 建立小車底盤
繪製底盤

- 開始一個新的設計
- 開一個new component
- 名字叫
bottom


- 確保小黑點在bottom這個component旁邊
- 開一個
new sketch - 下圖是我們底板的圖則
- 我會一步一步教你繪畫,熟練後就要靠自己了

先用快捷鍵
r,隨意繪劃一個長方形用快捷鍵
l,繪劃一條垂直中線在工具列上方找到
Coincident重合限制- 將中線釘在原點上


使用快捷鍵
s搜尋change parameters在右上方找到
User Parameter鍵在
Add User Parameter介面中,填寫以下資訊:Name: 變數名字,只能為英文字母,不能有空格Unit: 單位,例如mm、cm等,若無單位可忽略此欄位Expression: 設定的值,例如10、15等,也可以使用公式,例如10*2.54表示10英吋轉換成公分Comment: 注解,可以忽略
根據圖4的內容,開設
thickness、carLength、carWidth、gearBoxLength、gearBoxWidth、ballCastorLength6個參數




- 圖一:
- 將長方形的長和寬分別設為
carLength和carWidth - 長方形的底到原點距離返為
gearBoxLength - 確保所有草稿線都是黑色,表示完全定義
- 將長方形的長和寬分別設為
- 圖二:
- 由原點劃一條水平作圖線到長方形邊(用快捷鍵
x可以將實線變成作圖線) - 在作圖線隨意位置劃一個
center rectangle和兩個圓
- 由原點劃一條水平作圖線到長方形邊(用快捷鍵
- 圖三:
- 在剛才的
center rectangle,劃一條垂直中線 - 用上方工具列的限制工具,選用
equal將兩個圓設成相等,用Symmetry設定與中線對稱 - 標記相圖3的尺寸,最左手邊標記成
gearBoxWidth,方便之後調試參數
- 在剛才的
- 圖四:
- 用快捷鍵
s搜尋mirror,對圖3所劃內容鏡像到右手邊
- 用快捷鍵




- 在圖的上方,緣中線繪劃以下圖形
💡TIP
記得善用限制工具equal和Symmetry

- 完後後褪出2D草圖
- 用快捷鍵
e擠出thickness的厚度 - 用快捷鍵
f將四個角修成3mm半徑的圓角,這樣實物切割出來時才不會割手


最後,在零件樹按滑鼠右鍵,選擇Ground,設定底板為Ground後,拖動底板就不會動,所有的joint都以底板為基礎

插入底盤零件
⚠️WARNING
將小黑點退回最上層
- 在左手邊找到預備步驟時所上傳的零件
- 將零件之一的「牛眼輪」拖入當前的圖則畫面中
- 用快捷鍵
j,組合「牛眼輪」和底盤




- 拖曳零件中的
70093L至當前畫面 - 點選左邊的零件樹中的
70093L並按下滑鼠右鍵 - 選擇
剛體群組(Rigid Group),這樣在拖曳齒輪箱時就不會整個散開 - 最後用快捷鍵
j將齒輪箱和底板連接



- 同樣地,將
70093R和tamiya 56mm sport tire拖動到當前畫面中 - 用零件樹對著剛拖放入來的組件按滑鼠右鍵
- 用
Rigid Group將零件剛性組合 - 最後用快捷鍵
j將它們組合到底板上
ℹ️INFO
tamiya 56mm sport tire組合時,要對著齒輪箱六角軸的中心,再偏移15mm(圖2)- 在進行
joint時,去到motion頁面,選擇類型為Revolving joint



Step 3: 繪製和組裝小車第二層板
繪畫小車頂板
⚠️WARNING
將小黑點退回最外層
- 開一個新組件,用快捷鍵
s搜尋new component或按下上方工具列的圖示 - 命名為
top

⚠️WARNING
將小黑點放到新的 top 元件旁邊
- 點擊
offset plane按鈕- 或用快捷鍵
s搜尋offset plane
- 或用快捷鍵
- 在小車的底板表面上,定一個偏移
40mm的平面- 工場只提供
20mm和8mm兩種六角柱子,如果需要其他高度,可以組合使用或使用 3D 列印墊高
- 工場只提供


- 在新的
offset plane上點擊new sketch。 - 使用快捷鍵
p或者搜尋project,將底板投影到這個面上


- 圖一:
- 在左側零件樹中,點擊眼睛圖示,隱藏除了
top以外的其他零件 - 畫一條水平線,然後使用快捷鍵
d,將水平線與底線的距離設置為60mm
- 在左側零件樹中,點擊眼睛圖示,隱藏除了
- 圖二:
- 選擇安裝齒輪箱的 4 個圖形和 2 個方形
- 使用快捷鍵
x將它們變成作圖線 - 畫一個任意形狀的長方形
- 圖三:
- 將剛才畫的長方形使用快捷鍵
x變成作圖線 - 用快捷鍵
d標示尺寸,每個邊距離外框5mm - 在四個角上畫上
3mm的圓- 使用限制工具
equal(等長)的工具,只需要標示一個圓,其他使用equal工具指定相等就可以
- 使用限制工具
- 將剛才畫的長方形使用快捷鍵
- 圖四:
- 使用快捷鍵
e將其擠出到設置的thickness厚度
- 使用快捷鍵
- 圖五:
- 使用快捷鍵
f將頂板剩餘的兩個尖角修成3mm半徑的圓
- 使用快捷鍵





插入Arduino UNO
💡TIP
確認小黑點仍在 top 的元件旁邊。
- 在
top上面的平面上,開啟一個新的草圖 - 用快捷鍵
s搜尋change parameter,設定兩個新的參數,分別為unoX和unoY,用來設定Arduino UNO板的相對位置


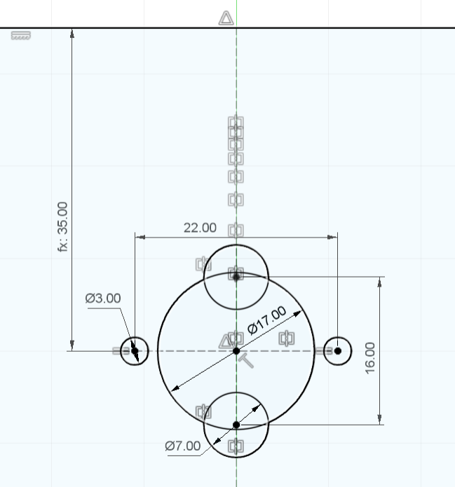
圖一為Arduino UNO板孔距的尺寸
- 由於頂板上的零件距離 Arduino UNO 的第四個孔太近,因此不需要開孔
圖二:根據圖一中 Arduino UNO 板的尺寸,在頂板上畫上三個直徑為
3mm的圓- 使用限制工具
equal的工具,只需要標示一個圓,其他使用equal工具指定相等就可以 - 輸入
unoX和unoY參數,設定Arduino UNO板距離頂板的左側和底側尺寸
- 使用限制工具
圖三:使用快捷鍵
e,將剛才畫的三個圓從頂板上減去
ℹ️INFO
UNO的設計單位是英吋,所以轉成毫米並非整數



- 在零件樹中找到
top零件,點擊三角形圖示打開零件樹,將隱藏了的sketch4顯示 - 選擇草圖上的四個直徑為
3mm的圓,使用快捷鍵e,將它們貫穿到底板上,為底板開四個孔

- 將
Arduino UNO板從庫存中拖入當前畫面 - 在零件樹中找到
Arduino UNO零件,按下滑鼠右鍵,並選擇Rigid Group - 使用快捷鍵
j將Arduino UNO板固定在頂板上,並將其偏移20mm



插入六角柱
⚠️WARNING
將小黑點移動到最上層
- 圖一:
- 使用快捷鍵
s搜索new component,開啟一個名為double hex的新元件
- 使用快捷鍵
- 圖二:
- 確保小黑點在剛才新開的
double hex元件旁 - 庫存中拖入
hex spacer M3x20,並使用ctrl+c/ctrl+v複製一份
- 確保小黑點在剛才新開的
- 圖三:
- 使用快捷鍵
j將兩個六角柱組合在一起
- 使用快捷鍵



⚠️WARNING
將小黑點移回最上層
- 複製
double hex元件三份 - 使用快捷鍵
J,將這四個元件組合到小車底盤上


💡TIP
繼續確保小黑點在最上層
圖一:
- 打開其中一個
double hex元件,選擇其中一個hex spacer M3X20
- 打開其中一個
圖二:使用
ctrl+c/ctrl+v複製三份圖三:使用快捷鍵
j,將這三個六角柱組裝到 Arduino UNO 板上


📝NOTE
組裝完成後,請確認所有零件已經固定,不會移動,可輕輕拖動零件確認
Step 4: 安裝sensor、電池
為底盤開孔
接下來,我們會為小車安裝電池組和邊緣傳感器
使用快捷鍵
s搜尋change parameter,新增三個參數sensorX、sensorY和batteryY,分別用來指定邊緣傳感器和電池組的位置



⚠️WARNING
將小黑點放到bottom 旁邊
- 在小車底盤表面開啟一個新的草圖
- 對
bottom外的組件隱藏

繪製對地面的邊緣感測器安裝孔
安裝孔共有2個
- 下方安裝孔距離底板頂部和底板邊緣分別為參數
sensorX和sensorY - 上方安裝孔距離下方
11mm
- 下方安裝孔距離底板頂部和底板邊緣分別為參數
在兩個安裝孔圓心劃一條作圖線,在中點劃一個
center rectangle,尺寸為11 x 5.5mm需要加一個
center rectangle方便調整電阻值,因此劃一個8x8mm的方形,距離下方安裝孔8mm最後為了走線,需要加一個
center rectangle和一個圓孔。
- 在底板繪製一條中線
- 將剛才第二步所繪製的圖形鏡像到另一邊

- 在中線上,使用快捷鍵
s搜尋指令center rectangle劃一個長方形 - 在隨意位置劃一條水平線,使用幾何限制
Midpoint指定水平線到長方形的中心點 - 在水平線兩端劃兩個直徑為
3mm的圓- 使用幾何限制
equal(等長)工具,只需要標示一個圓即可
- 使用幾何限制
- 將長方形的底部和底板的底邊距離標注為參數
batteryY(圖一紅圈) - 最後將剛才所劃的圖形,使用快捷鍵
e從底板中減去(圖二)


插入和安裝底盤sensor和電池架
⚠️WARNING
將小黑點褪回最上層

在零件庫中拖曳兩個邊緣感測器
Line Sensor和電池組Battery Shell
使用快捷鍵
J,將邊緣感測器組合到底盤下方
安裝好兩個邊緣感測器後,可以安裝電池架
全部組合完成後,可以在左邊的零件樹按下「眼睛」圖示,將全部零件顯示
下圖是安裝好的效果

為頂板開孔和安裝sensor
- 接下來,安裝尋找敵人的紅外線傳感器
- 用快捷鍵
s搜尋change parameter,新增兩個參數IRSensorX和IRSensorY,用來指定紅外線傳感器的位置


⚠️WARNING
小黑點移動到零件top 旁邊
圖一:
- 在頂板的表面,使用
create new sketch創建一個新的草圖 - 隱藏頂板上的 Arduino UNO 板和三條六角柱,以方便操作
- 在頂板的表面,使用
圖二:
- 在頂板上劃一條中線,使用快捷鍵
x將其轉換成作圖線 - 隨意繪製一個直徑為
3mm的圓 - 將其與頂板左側和底部的距離分別設置為
IRSensorX和IRSensorY - 使用指令
mirror鏡像到另一側 - 在中線上繪製一個圓,使用幾何限制
Horizontal/Vertical將其與另外兩個圓對齊,使用Equal指令使三個圓的尺寸相同 - 最後將這三個圓用快捷鍵
e從頂板中減去
- 在頂板上劃一條中線,使用快捷鍵


⚠️WARNING
將小黑點移動到最上層
- 圖一、二:
- 隱藏頂板
top以外的零件,以放便操作 - 從零件庫中拖曳三個
IR Sensor (FC51)到畫面中
- 隱藏頂板
- 圖三:
- 使用快捷鍵
J,將三個IR Sensor (FC51)感測器組合到頂板 - 左右兩側的感測器應該向左右45度指向
- 使用快捷鍵
📝NOTE
記得將感測器向上偏移3mm,實際安裝時,需要使用3mm的墊圈將感測器抬高,以避免壓彎電線腳



Step 5: 製作前擋板和鏟
來到這一步,機械人已基本完成,有基本的功能,接下來最後一步要製作前方的檔板和鏟,第一個步驟是要先製作用以安裝前方檔板的支架。
製作3D打印支架
⚠️WARNING
將小黑點移動到最上層
- 使用快捷鍵
s搜尋new component,新建一個名為triangle的元件 - 將
triangle和bottom以外的零件隱藏 - 確認小黑點在新建的元件旁邊,然後在
YZ平面上新建一個草圖


- 使用快捷鍵
p投影底板的頂端 - 按照圖二的尺寸設計三角形支架
- 用快捷鍵
e擠出Direction選擇SymmetricMeasurement選擇兩邊的總長度- 擠出厚度為
10mm



💡TIP
確認小黑點在triangle旁邊
- 隱藏除了
triangle以外的其他元件 - 點選30度的斜面,使用快捷鍵
s搜尋new sketch開一個新的草圖 - 劃一條中線,然後繪製兩個直徑為
3mm的圓,尺寸參考圖二 - 使用快捷鍵
e,減去深度為10mm



- 重複上述步驟,在45度的斜面上開啟新的草圖
- 畫出兩條中線,在表面上繪製兩個直徑為
3mm的圓,尺寸參考圖一 - 使用快捷鍵
e,向下減去深度為10mm


- 這個三角架要安裝在底板上,因此底部需要開孔
- 在
triangle底部開啟一個新的草圖 - 畫出一條中線,在底部繪製兩個直徑為
3mm的圓 - 由圖三可見,由於另外兩個面已經有螺絲孔,因此底部的圓需要向後移動一點,以免與其他穿孔相撞



安裝三角支架到底板
- 在零件樹中找到
bottom底板,點擊「眼睛」圖示,重新顯示
⚠️WARNING
將小黑點移動到bottom旁邊
在底板表面上開啟一個新的草圖


- 用快捷鍵
s搜尋change parameter - 新增兩個參數
triangleX和triangleY,用來設定三角支架的位置

- 在底板的草圖上劃一條中線
- 畫兩條任意的水平線
- 指定水平線高度為
triangleY和10mm
- 指定水平線高度為
- 在這兩條水平線上畫兩個圓
- 指定其中一個直徑為
3mm - 使用幾何限制工具
equal使兩個圓相等 - 使用幾何限制工具
Horizontal/Vertical將其與另一個圓垂直對齊 - 用
mirror指令將這兩個圓鏡像到另一側
- 指定其中一個直徑為
- 最後使用快捷鍵
e,從底板上減去這四個圓


⚠️WARNING
將小黑點退回最上層
- 用
ctrl+c/ctrl+v複製triangle一份 - 使用快捷鍵
j,將其分別組合到底板上


繪製鏟和前擋板
💡TIP
確保小黑點移回最上層
- 開啟一個新元件,並命名為
front plane - 在三角形支架的30度斜面(左邊或右邊都可以)開啟一個新的草圖


- 使用快捷鍵
p,投影兩側的三角支架 - 穿過原點畫出一條中心線,在這個面上繪製一個長方形,使其頂部通過30度斜面的頂部
- 然後使用快捷鍵
e,擠出厚度為thickness



- 圖一:在45度斜面上開啟一個新的草圖
- 圖二:投影兩側的45度斜面和前方鏟板的頂部邊緣到這個草圖中
- 圖三:
- 繪製一個長方形,一邊為剛才的投影線,寬為
70mm - 再使用
e快捷鍵擠出厚度為thickness
- 繪製一個長方形,一邊為剛才的投影線,寬為
- 圖四:
- 之後可以使用快捷鍵
j將鏟和擋板組合到三角支架上
- 之後可以使用快捷鍵
⛔️DANGER
將視角轉到側視圖,觀察並確保兩塊板並沒有重疊相撞
📝NOTE
- 因為鏟和擋板都是同一個元件的兩個實體,所以在拖動時這兩塊板會一起拖動,這是正常的
- 我沒有示範組裝過程的截圖,請您自行完成




為前擋板開孔,讓偵敵紅外線sensor能穿過
📝NOTE
確認小黑點在front plane旁邊
- 圖一:
- 打開零件樹的箭頭,將前檔板隱藏
- 圖二:
- 選擇指向前方的紅外線傳感器的平面,並在上面開啟一個新的草圖
- 在紅外線傳感器的LED和接收器的兩個圓的中心之間,繪製一個直徑
15mm圓形


- 使用快捷鍵
e擠出工具,將這個圓形擠出一個新的實體,距離可以隨意設定,只要比底盤長即可 - 擠出時,在工具列的
taper angle選擇5 deg- 使得擠出的面積越來越大
- 錐度角的設定應該要根據你所使用的傳感器的發散角度來決定
- 我使用的是5度的錐度角,這是基於我過去的經驗設定的

📝NOTE
確認小黑點在front plane旁邊
- 圖一:
- 將前擋板顯示出來(
front plane-->body5) - 在前擋板表面開啟一個新的草圖
- 將前擋板顯示出來(
- 圖二、三:
- 使用快捷鍵
s搜索intersect命令 - 這個命令用於獲取所選實體與當前平面的相交線
- 使用快捷鍵



為前擋板開孔
ℹ️INFO
根據這個橢圓形的中心點,我們可以知道傳感器射出的紅外線會落在前擋板的哪個位置 在相對的位置開槽,才不會阻礙紅外線的發射和接收
- 以橢圖圖心,繪劃一個
35x35mm的正方形 - 使用快捷鍵
e擠出工具將其減去,完成開槽


💡TIP
- 拖動每個零件,以確定它們正確地組裝在一起
⛔️DANGER
- 使用Fusion 360的
interference指令,可以自動計算模型是否有干擾(即相撞)的問題

Step 6: 微調功課
⚠️WARNING
請確保將小黑點移回最上層
- 使用快捷鍵
s搜尋Section Analysis指令 - 選擇世界座標系下的YZ平面(或您的機械人的側面平面)
- 使用截面工具將機械人切成兩半,以方便觀察


這個模型存在以下問題:
30度的擋板需要增長,以便更好地發揮鏟的效果。此外,需要添加一層薄金屬或膠片令其更貼地
對地的邊緣傳感器(
Line Sensor)需要更靠前,以便更早地檢測到前方是否為場外,並停車三角支架需要移後,或將小車的長度縮減,如果不移後,30度的鏟加長後,整車就會超過200mm,
⛔️DANGER
過長會犯規,不能作賽
- 對敵紅外線傳感器需要往前移
這樣前擋板就不需要開那麼大的槽
而且能紅外線傳感器的檢測距離有限,越前越能提早感測到敵人
💡TIP
- 可以用快捷鍵
s搜尋change parameter,上述所提到需要修改的尺寸,事前都已設定成參數,只要修改參數,相關的零件位置就會改變。 - 輸出生產前,請使用Fusion 360的
interference指令,計算模型是否有干擾(即相撞)的問題
